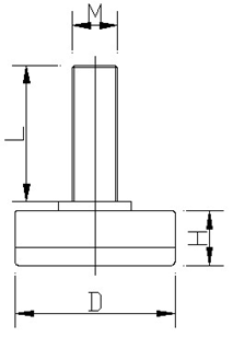
| 序 号 | 规格型号 | 底座直径 | 底座总高 | 可配螺纹 | 螺杆长度 | 单只、静态 垂直承载力 | |
| D | H | 公制/M | 英制 | L | KG | ||
| 1 | LF-M620-25 | 25 | 10 | M6/8/10 /12/14 | 1/4-20 5/16-18 3/8-16 1/2-13 5/8-11 | 20 | 80 |
| 2 | LF-M825-25 | 25 | |||||
| 3 | LF-M1030-25 | 30 | |||||
| 4 | LF-M825-35 | 35 | 12 | M6/8/10/ 12/14/16 | 25 | 100 | |
| 5 | LF-M1035-35 | 35 | |||||
| 6 | LF-M1240-35 | 40 | |||||
| 7 | LF-M1030-42 | 42 | 14 | M6/8/10/ 12/14/16 | 30 | 120 | |
| 8 | LF-M1240-42 | 40 | |||||
| 9 | LF-M1450-42 | 50 | |||||
| LF-M1030-60 | 60 | 14 | M6/8/10/ 12/14/16 | 30 | 200 | ||
| LF-M1240-60 | 40 | ||||||
| LF-M1450-60 | 50 | ||||||
| LF-M1030-70 | 70 | 14 | M6/8/10/ 12/14/16 | 30 | 300 | ||
| LF-M1240-70 | 40 | ||||||
| LF-M1450-70 | 50 | ||||||





客服1